Dc Shunt Motor Wiring Diagram Wiring Diagram Echo

Dc Motor Types Brushed Brushless And Dc Servo Motor
Dc Motors And Stepper Motors Used As Actuators
Starting Methods Of A Dc Motor Electricaleasy Com
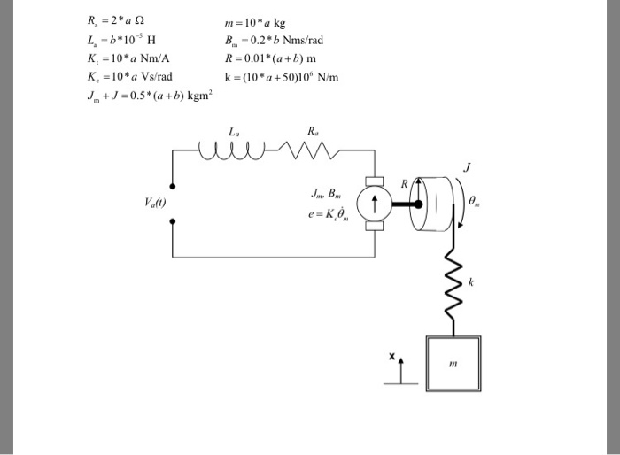
Solved L The Schematic Diagram Of An Elevator Driven B
Thyristor D C Drives General Motors And Drives
Types Of Dc Motors And Their Applications Electrical4u
Dc Motor Clockwise Anticlockwise Control H Bridge Circuit
Bi Directional Motor Electronic Circuits And Diagrams Electronic
Very Simple 12v Motor Speed Controller With E555 Timer Motor
Dc Motor Wiring Diagram Wiring Diagram
Dc Motor Wiring Schematic Wiring Diagrams
Energies Free Full Text Speed Control Of Permanent Magnet Dc
Dc Motor Control Circuits Worksheet
Schematic Diagram Of Ac Dc Buck Boost Converter Fed Dc Motor
Types Of Dc Generators Series Shunt Compound
Control Tutorials For Matlab And Simulink Motor Speed Simulink
Dc Series Motor Circuit Diagram Characteristics And Its
Types Of Dc Motor Shunt Series Compound Wound Motor Circuit
No comments:
Post a Comment